BMC-20,2016mm,Lihom力宏晶振,SMD石英晶体,蓝牙晶振,韩国进口晶振,Lihom晶振,力宏晶振,型号:BMC-20,小体积晶振尺寸:2.0x1.6x0.5mm SMD晶体,频率范围:16MHz~60MHz,四脚贴片晶振,石英晶振,SMD石英晶体,无源晶振,石英晶体谐振器,无铅环保晶振,2016贴片晶振,具有超小型,轻薄型,高精度,高性能,高品质,优异的可靠性特性,如热和机械冲击,无铅,满足RoHs要求,可进行回流焊接。应用于:数字电子产品、消费电子、车载电子晶振,移动通信,蓝牙,无线局域网,汽车电子设备,小型便捷式设备,智能手机,平板电脑,数码电子等应用。
BMC-20,2016mm,Lihom力宏晶振,SMD石英晶体,蓝牙晶振,参数表
| Frequency range | 16~60 MHz | |||||||||||||||||||
| Overtone Order | Fundamental | |||||||||||||||||||
| Frequency tolerance at 25℃ | ±10, ±15, ±20, ±30, ±50 ppm | |||||||||||||||||||
| Operating temperature range and frequency stability | See Table 1 | |||||||||||||||||||
| Equivalent series resistance | See Table 2 | |||||||||||||||||||
| Shunt capacitance | 3 pF Max or specify | |||||||||||||||||||
| Load capacitance | 8, 16, 20 pF or specify | |||||||||||||||||||
| Drive level (Max.) | 10, 100, 200 μW or specify | |||||||||||||||||||
| Insulation resistance | 500 MΩ Min. at DC 100V | |||||||||||||||||||
| Aging at 25℃ | ±3 ppm / year Max. | |||||||||||||||||||
| Storage temperature range | -40~+85℃or -40~+125℃ | |||||||||||||||||||
| Measure instrument | S&A 250B system with PI circuit |
|||||||||||||||||||
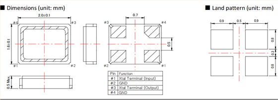
BMC-20,2016mm,Lihom力宏晶振,SMD石英晶体,蓝牙晶振,尺寸图
BMC-20,2016mm,Lihom力宏晶振,SMD石英晶体,蓝牙晶振
产品特点:
尺寸:2.0 x 1.6 x 0.5(最大)mm的表面安装石英晶体单元
优异的可靠性特性,如热和机械冲击
不含铅且满足RoHs要求
可进行回流焊接
应用程序:数字电子、消费品、移动通信、蓝牙、无线局域网和汽车






SX2KL-33F200E-32.768KHz,2520mm,FCD-Tech数字设备晶振,CMOS振荡器
TZ2528C,32.768KHz,2012mm,TST嘉硕晶振,两脚贴片晶振
DSC6332JI2AA-100.0000,2520mm,100MHz,Microchip振荡器
1610mm,XTL751-S999-548,32.768KHz,XTL75,Siward超小型晶体
2012mm,XTL741-U11-402,32.768KHz,XTL74,Siward谐振器
ELS05-32.768kHz-9-T,ELS05,1610mm,32.768KHz,AEL超小型晶振
ELM12W-24.000MHz-6-R120-D7X-T,ELM12W,24MHz,1612mm,AEL晶振
Q 19.2-JXS21-12-10/10-WA-LF,JXS21-WA,2016mm,19.2MHz,Jauch物联网晶振