Jauch晶振,贴片晶振,JXG75P4晶振,进口石英晶体,JAUCH集团是石英晶体、晶体振荡器和电池技术的主要专家之一。公司成立于1954年,现在是频率控制产品行业的龙头企业之一,最近还拥有创新的MEMS计时时钟。我们是未来锂离子和锂聚合物电池市场的专家。我们的基本原则,包括我们的雇员的安全和健康,童工,歧视,公平薪酬,腐败,贿赂以及环境保护,都在JAUCH集团的行为准则中得到了支持。
JAUCH晶振公司遵守所有石英晶振适用的有关环境、健康和安全的法律和法规以及公司自己的有关环境、工业卫生和安全的方针和承诺。与我们的员工一起开创并保持一个免于事故的工作场所。重视污染预防,消除偏离程序的行为强调通过员工努力这一最可行的方法持续改进我们经营活动的环境绩效。
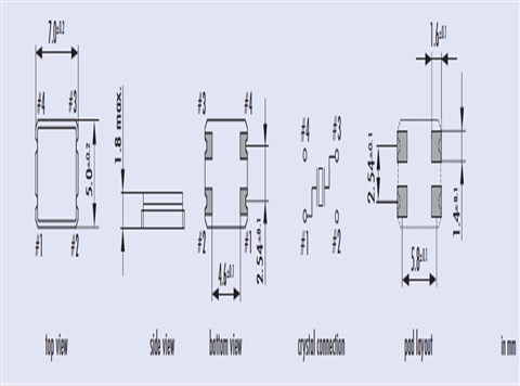
贴片石英晶振最适合用于车载电子领域的小型表面贴片石英晶体谐振器.也可对应有高可靠性要求的引擎控制用CPU的时钟部分简称为时钟晶体振荡器,在极端严酷的环境条件下也能发挥稳定的起振特性,产品本身具有耐热,耐振,耐撞击等优良的耐环境特性,满足无铅焊接的回流温度曲线要求,符合AEC-Q200标准.Jauch晶振,贴片晶振,JXG75P4晶振,进口石英晶体
石英晶振真空退火技术:晶振高真空退火处理是消除贴片晶振在加工过程中产生的应力及轻微表面缺陷。在PLC控制程序中输入已设计好的温度曲线,使真空室温度跟随设定曲线对晶体组件进行退火,石英晶振通过合理的真空退火技术可提高晶振主要参数的稳定性,以及提高石英晶振的年老化特性。
|
Jauch晶振规格 |
单位 |
JXG75P4晶振 |
石英晶振基本条件 |
|
标准频率 |
f_nom |
5~70MHZ |
标准频率 |
|
储存温度 |
T_stg |
-40°C~+125°C |
裸存 |
|
工作温度 |
T_use |
-20°C~+85°C |
标准温度 |
|
激励功率 |
DL |
100μW Max. |
推荐:10μW |
|
频率公差 |
f_— l |
±30,50× 10-6(标准), |
+25°C对于超出标准的规格说明, |
|
频率温度特征 |
f_tem |
-0.034,-0.04× 10-6/-40°C~+125°C |
超出标准的规格请联系我们. |
|
负载电容 |
CL |
12PF |
不同负载电容要求,请联系我们. |
|
串联电阻(ESR) |
R1 |
如下表所示 |
-40°C —+85°C,DL = 100μW |
|
频率老化 |
f_age |
±3× 10-6/ year Max. |
+25°C,第一年 |
机械振动的影响:当陶瓷面封装晶体产品上存在任何给定冲击或受到周期性机械振动时,比如:压电扬声器,压电蜂鸣器,以及喇叭等,输出频率和幅度会受到影响。这种现象对通信器材通信质量有影响。尽管晶振产品设计可最小化这种机械振动的影响,我们推荐事先检查并按照下列安装指南进行操作.Jauch晶振,贴片晶振,JXG75P4晶振,进口石英晶体
所有产品的共同点:1:抗冲击:抗冲击是指四脚7050大型晶体产品可能会在某些条件下受到损坏。例如从桌上跌落,摔打,高空抛压或在贴装过程中受到冲击。如果产品已受过冲击请勿使用。因为无论何种石英晶振,其内部晶片都是石英晶振制作而成的,高空跌落摔打都会给晶振照成不良影响。 2:辐射:将贴片晶振暴露于辐射环境会导致产品性能受到损害,因此应避免阳光长时间的照射。 3:化学制剂 / pH值环境:请勿在PH值范围可能导致腐蚀或溶解石英晶振或包装材料的环境下使用或储藏这些产品。
4:粘合剂:请勿使用可能导致7050贴片晶振所用的封装材料,终端,组件,玻璃材料以及气相沉积材料等受到腐蚀的胶粘剂。(比如,氯基胶粘剂可能腐蚀一个晶振的金属“盖”,从而破坏密封质量,降低性能。) 5:卤化合物:请勿在卤素气体环境下使用晶振。即使少量的卤素气体,比如在空气中的氯气内或封装所用金属部件内,都可能产生腐蚀。同时,请勿使用任何会释放出卤素气体的树脂。6:静电:过高的静电可能会损坏贴片晶振,请注意抗静电条件。请为容器和封装材料选择导电材料。在处理的时候,请使用电焊枪和无高电压泄漏的测量电路,并进行接地操作。





爱普生晶振,贴片晶振,VG-4232CA晶振
爱普生晶振,贴片晶振,VG-4501CA晶振
ECScrysta晶振,贴片晶振,CSM-8M晶振,石英进口晶振
ECScrysta晶振,贴片晶振,CSM-8Q晶振,石英无源晶振
Golledge晶振,贴片晶振,CC2A晶振,石英贴片晶振
Jauch晶振,贴片晶振,JXG75P2晶振,进口谐振器
KDS晶振,贴片晶振,DSX221SH晶振,贴片进口晶振
MERCURY晶振,有源晶振,HK57晶振
CMOS/CSX-750FJC50000000T/OSC XO/50MHz/±100ppm/7050mm
M911201NI2-20M48000,7050mm,20MHz,Microchip高性能MEMS振荡器