Jauch晶振,贴片晶振,JXG75P2晶振,进口谐振器,JAUCH集团是石英晶体、晶体振荡器和电池技术的主要专家之一。公司成立于1954年,现在是频率控制产品行业的龙头企业之一,最近还拥有创新的MEMS计时时钟。我们是未来锂离子和锂聚合物电池市场的专家。我们已投资于位于villingen - schwenningen总部的生产设施,以及时满足世界各地的客户需求:MEMS振荡器在我们自己的生产设施中配置并交付,关注时效性。
JAUCH晶振公司严格遵守国家有关工程建设法律、法规,不断提高员工的质量意识和能力,履行合约、信守承诺,坚持开拓创新,不断提升企业的施工技术素质和质量管理水平,以科学学严密的贴片石英晶振施工管理和真诚的服务让业主高度满意。 AUCH晶振劳工职业安全卫生议题近年成为世界各国及企业关注焦如何做到‘降低职业灾害发生、确保工作场所安全、实施员工健康管理’一直是JAUCH晶体努力的方向.
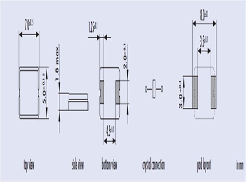
普通石英晶振,外观完全使用金属材料封装的,产品本身采用全自动石英晶体检测仪,以及跌落,漏气等苛刻实验.产品本身具有高稳定性,高可靠性的石英晶体谐振器,焊接方面支持表面贴装,外观采用金属封装,具有充分的密封性能,晶振本身能确保其高可靠性,采用编带包装,可对应产品应用到自动贴片机告诉安装,满足无铅焊接的高温回流温度曲线要求.Jauch晶振,贴片晶振,JXG75P2晶振,进口谐振器
贴片晶振晶片边缘处理技术:SMD晶振是晶片通过滚筒倒边,主要是为了去除石英晶振晶片的边缘效应,在实际操作中机器运动方式设计、滚筒的曲率半径、滚筒的长短、使用的研磨砂的型号、多少、填充物种类及多少等各项设计必须合理,有一项不完善都会使晶振晶片的边缘效应不能去除,而石英晶振晶片的谐振电阻过大,用在电路中Q值过小,从而电路不能振动或振动了不稳定。
|
Jauch晶振规格 |
单位 |
JXG75P2晶振 |
石英晶振基本条件 |
|
标准频率 |
f_nom |
5~70MHZ |
标准频率 |
|
储存温度 |
T_stg |
-40°C~+125°C |
裸存 |
|
工作温度 |
T_use |
-20°C~+85°C |
标准温度 |
|
激励功率 |
DL |
100μW Max. |
推荐:10μW |
|
频率公差 |
f_— l |
±30,50× 10-6(标准), |
+25°C对于超出标准的规格说明, |
|
频率温度特征 |
f_tem |
-0.034,-0.04× 10-6/-40°C~+125°C |
超出标准的规格请联系我们. |
|
负载电容 |
CL |
12PF |
不同负载电容要求,请联系我们. |
|
串联电阻(ESR) |
R1 |
如下表所示 |
-40°C —+85°C,DL = 100μW |
|
频率老化 |
f_age |
±3× 10-6/ year Max. |
+25°C,第一年 |
超声波清洗:(1)使用AT-切割晶体和表面面滤波器波(SAW)/贴片晶体谐振器的产品,可以通过超声波进行清洗。但是,在某些条件下, 晶振特性可能会受到影响,而且内部线路可能受到损坏。确保已事先检查系统的适用性。(2)使用音叉晶体和陀螺仪传感器的产品无法确保能够通过超声波方法进行清洗,因为晶振可能受到破坏。(3)请勿清洗开启式晶振产品(4)对于可清洗晶振产品,应避免使用可能对产品产生负面影响的清洗剂或溶剂等。(5)焊料助焊剂的残留会吸收水分并凝固。这会引起诸如位移等其它现象。这将会负面影响产品的可靠性和质量。请清理残余的助焊剂并烘干PCB。Jauch晶振,贴片晶振,JXG75P2晶振,进口谐振器
所有石英晶体振荡器和实时时钟模块都以IC形式提供。噪音:在电源或输入端上施加执行级别(过高)的不相干(外部的)噪音,可能导致会引发功能失常或击穿的闭门或杂散现象。电源线路:电源的线路阻抗应尽可能低。输出负载:建议将2脚贴片MHZ晶振输出负载安装在尽可能靠近振荡器的地方(在20 mm范围之间)。未用输入终端的处理:未用针脚可能会引起噪声响应,从而导致非正常工作。
同时,当P通道和N通道都处于打开时,电源功率消耗也会增加;因此,请将未用输入终端连接到VCC 或GND。热影响:重复的温度巨大变化可能会降低受损害的大体积两脚7050晶振产品特性,并导致塑料封装里的线路击穿。必须避免这种情况。安装方向:振荡器的不正确安装会导致故障以及崩溃,因此安装时,请检查安装方向是否正确。通电:不建议从中间电位和/或极快速通电,否则会导致无法产生振荡和/或非正常工作。





爱普生晶振,贴片晶振,VG-4232CA晶振
爱普生晶振,贴片晶振,VG-4501CA晶振
ECScrysta晶振,贴片晶振,CSM-8M晶振,石英进口晶振
ECScrysta晶振,贴片晶振,CSM-8Q晶振,石英无源晶振
Golledge晶振,贴片晶振,CC2A晶振,石英贴片晶振
Jauch晶振,贴片晶振,JXG75P4晶振,进口石英晶体
KDS晶振,贴片晶振,DSX221SH晶振,贴片进口晶振
MERCURY晶振,有源晶振,HK57晶振
CMOS/CSX-750FJC50000000T/OSC XO/50MHz/±100ppm/7050mm
M911201NI2-20M48000,7050mm,20MHz,Microchip高性能MEMS振荡器