ECS晶振CSM-12,ECS-100-18-18-TR晶体谐振器,ECS晶振,CSM-12四脚贴片晶振,ECS-100-18-18-TR晶体谐振器,无源晶振,伊西斯晶振,数码相机晶振,智能玩具晶振,摄像机晶振,数字电表晶振,数字水表晶振,欧美进口晶振,汽车电子晶振.
ECS晶振CSM-12,ECS-100-18-18-TR晶体谐振器
|
|
||||||||||||||||||||||||||||||||||||||||
|
|
|
|
|
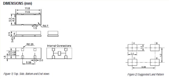
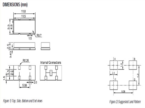
ECS晶振CSM-12,ECS-100-18-18-TR晶体谐振器
ECS晶振CSM-12,ECS-100-18-18-TR晶体谐振器使用注意事项
关于冲洗清洁音叉型晶振由于采用小型、薄型的无源晶振芯片,以及相对而言频率与超音波清洁器相近,所以会由于共振而容易受到破坏,因此请不要用超音波清洁器来冲洗晶振。
关于机械性冲击
(1) 从设计角度而言,即使石英晶振从高度75cm处落到硬质木板上三次,按照设计不会发生什么问题,但因落下时的不同条件而异,有可能导致石英芯片的破损。
在使之落下或对它施加冲击之时,在使用之前,建议确认一下振荡检查等的条件。
(2)无源高精度晶体与电阻以及电容器的芯片产品不同,由于在内部对石英晶振晶片进行了密封保护,因此关于在自动安装时由于冲击而导致的影响,请在使用之前,恳请贵公司另外进行确认工作。
(3) 请尽量避免将本公司的音叉型晶振与机械性振动源(包括超声波振动源)安装到同一块基板上,不得已要安装到同一块基板上时,请确保晶振能正常工作。ECS晶振CSM-12,ECS-100-18-18-TR晶体谐振器
耐焊性
将晶振加热包装材料至+150°C以上会破坏产品特性或损害产品。如需在+150°C以上焊接石英晶振,建议使用SMD晶振产品。在下列回流条件下,对石英晶振产品甚至SMD贴片晶振使用更高温度,会破坏陶瓷面贴片晶振特性。建议使用下列配置情况的回流条件。安装这些贴片晶振之前,应检查焊接温度和时间。同时,在安装条件更改的情况下,请再次进行检查。如果需要焊接的晶振产品在下列配置条件下进行焊接,请联系我们以获取耐热的相关信息。
| ECS原厂编码 | 型号 | 频率 | 频率稳定度 | 频率偏差 | 负载电容 | 电阻 | 工作温度 |
| ECS-100-18-18-TR | CSM-12 | 10MHz | ±100ppm | ±30ppm | 18pF | 80 Ohm | -40°C ~ 85°C |
| ECS-100-S-18-TR | CSM-12 | 10MHz | ±100ppm | ±30ppm | Series | 80 Ohm | -40°C ~ 85°C |
| ECS-110.5-18-18-TR | CSM-12 | 11.0592MHz | ±100ppm | ±30ppm | 18pF | 80 Ohm | -40°C ~ 85°C |
| ECS-110.5-20-18-TR | CSM-12 | 11.0592MHz | ±100ppm | ±30ppm | 20pF | 80 Ohm | -40°C ~ 85°C |
| ECS-110.5-S-18-TR | CSM-12 | 11.0592MHz | ±100ppm | ±30ppm | Series | 80 Ohm | -40°C ~ 85°C |
| ECS-112.896-18-18-TR | CSM-12 | 11.2896MHz | ±100ppm | ±30ppm | 18pF | 80 Ohm | -40°C ~ 85°C |
| ECS-120-18-18-TR | CSM-12 | 12MHz | ±100ppm | ±30ppm | 18pF | 80 Ohm | -40°C ~ 85°C |
| ECS-120-S-18-TR | CSM-12 | 12MHz | ±100ppm | ±30ppm | Series | 80 Ohm | -40°C ~ 85°C |
| ECS-122.8-18-18-TR | CSM-12 | 12.288MHz | ±100ppm | ±30ppm | 18pF | 80 Ohm | -40°C ~ 85°C |
| ECS-143-20-18-TR | CSM-12 | 14.31818MHz | ±100ppm | ±30ppm | 20pF | 50 Ohm | -40°C ~ 85°C |
| ECS-143-S-18-TR | CSM-12 | 14.31818MHz | ±100ppm | ±30ppm | Series | 50 Ohm | -40°C ~ 85°C |
| ECS-147.4-18-18-TR | CSM-12 | 14.7456MHz | ±100ppm | ±30ppm | 18pF | 50 Ohm | -40°C ~ 85°C |
| ECS-153.6-18-18-TR | CSM-12 | 15.36MHz | ±100ppm | ±30ppm | 18pF | 50 Ohm | -40°C ~ 85°C |
| ECS-160-18-18-TR | CSM-12 | 16MHz | ±100ppm | ±30ppm | 18pF | 50 Ohm | -40°C ~ 85°C |
| ECS-160-S-18-TR | CSM-12 | 16MHz | ±100ppm | ±30ppm | Series | 50 Ohm | -40°C ~ 85°C |
| ECS-166.66-18-18-TR | CSM-12 | 16.666MHz | ±100ppm | ±30ppm | 18pF | 50 Ohm | -40°C ~ 85°C |
| ECS-184-18-18-TR | CSM-12 | 18.432MHz | ±100ppm | ±30ppm | 18pF | 50 Ohm | -40°C ~ 85°C |
| ECS-184-S-18-TR | CSM-12 | 18.432MHz | ±100ppm | ±30ppm | Series | 50 Ohm | -40°C ~ 85°C |
| ECS-196.6-S-18-TR | CSM-12 | 19.6608MHz | ±100ppm | ±30ppm | Series | 50 Ohm | -40°C ~ 85°C |
| ECS-200-18-18-TR | CSM-12 | 20MHz | ±100ppm | ±30ppm | 18pF | 50 Ohm | -40°C ~ 85°C |
| ECS-200-20-18-TR | CSM-12 | 20MHz | ±100ppm | ±30ppm | 20pF | 50 Ohm | -40°C ~ 85°C |
| ECS-200-S-18-TR | CSM-12 | 20MHz | ±100ppm | ±30ppm | Series | 50 Ohm | -40°C ~ 85°C |
| ECS-204.8-18-18-TR | CSM-12 | 20.48MHz | ±100ppm | ±30ppm | 18pF | 50 Ohm | -40°C ~ 85°C |
| ECS-221-18-18-TR | CSM-12 | 22.1184MHz | ±100ppm | ±30ppm | 18pF | 50 Ohm | -40°C ~ 85°C |
| ECS-240-16-18-TR | CSM-12 | 24MHz | ±100ppm | ±30ppm | 16pF | 50 Ohm | -40°C ~ 85°C |
| ECS-240-18-18-TR | CSM-12 | 24MHz | ±100ppm | ±30ppm | 18pF | 50 Ohm | -40°C ~ 85°C |
| ECS-240-20-18-TR | CSM-12 | 24MHz | ±100ppm | ±30ppm | 20pF | 50 Ohm | -40°C ~ 85°C |
| ECS-245.7-18-18-TR | CSM-12 | 24.576MHz | ±100ppm | ±30ppm | 18pF | 50 Ohm | -40°C ~ 85°C |
| ECS-250-18-18-TR | CSM-12 | 25MHz | ±100ppm | ±30ppm | 18pF | 40 Ohm | -40°C ~ 85°C |
| ECS-35-17-18-TR | CSM-12 | 3.579545MHz | ±100ppm | ±30ppm | 17pF | 200 Ohm | -40°C ~ 85°C |
| ECS-35-18-18-TR | CSM-12 | 3.579545MHz | ±100ppm | ±30ppm | 18pF | 200 Ohm | -40°C ~ 85°C |
| ECS-36-18-18-TR | CSM-12 | 3.6864MHz | ±100ppm | ±30ppm | 18pF | 200 Ohm | -40°C ~ 85°C |






爱普生晶振,贴片晶振,FC-135晶振,FC-135R晶振,Q13FC1350000400晶振
爱普生晶振,贴片晶振,FA-238A晶振
EC2625TS-66.000M,EC26系列7050mm晶振,Ecliptek导航晶振
TS24CF23CDT,ATSSMTS,24.576MHz,CTS微处理器晶振
SXT53410AB17-25.000M,SUNTSU无线应用晶振,5032mm无源晶振
ELLS-12.000MHz-18-R60-A-4-F-T,AEL品牌晶振,SMD石英晶体
E1SAA12-30.000M TR,Ecliptek石英晶体谐振器,椭圆形晶振