Vectron国际公司是世界领先的频率控制、传感器和混合产品解决方案的设计、制造和营销的领导者,它采用了从直流到微波频率的大量声波(BAW)和表面声波(SAW)的最新技术。产品包括无源晶振和进口晶振;频率翻译;时钟和数据恢复产品;看到过滤器;用于电信、数据通信、频率合成器、定时、导航、军事、航空和仪表系统的水晶过滤器和组件。
Vectron国际公司总部位于美国北部的哈德逊,在北美、欧洲和亚洲设有运营设施和销售办事处,它的技术能力在2520晶振和滤光器设计方面都很有名。公司提供的创新和能力反映了更高频率、低成本设计和小型化的趋势,以及更先进的技术集成解决方案。其中一些关键技术包括:ASIC设计、表面安装技术、陶瓷封装、混合制造到类“S”、“高频基础”(HFF)晶体设计和空间组件能力。
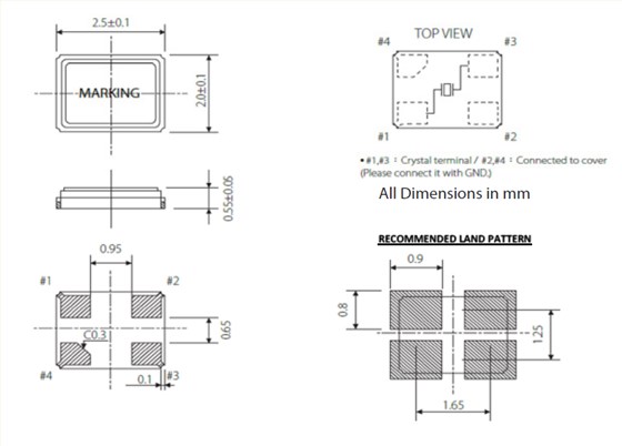
维管晶振,贴片晶振,VXM8晶振,石英晶体谐振器,小型贴片石英晶振,外观尺寸具有薄型表面贴片型石英晶体谐振器,特别适用于有小型化要求的市场领域,比如智能手机,无线蓝牙,平板电脑等电子数码产品.晶振本身超小型,薄型,重量轻,晶体具有优良的耐环境特性,如耐热性,耐冲击性,在办公自动化,家电相关电器领域及Bluetooth,Wireless LAN等短距离无线通信领域可发挥优良的电气特性,满足无铅焊接的回流温度曲线要求.
超小型、超低频石英晶体谐振器晶片的边缘处理技术:是超小型、超低频石英晶振晶体元器件研发及生产必须解决的技术问题,为压电石英晶振行业的技术难题之一。
|
维管晶振规格 |
单位 |
VXM8晶振频率 |
石英晶振基本条件 |
|
标准频率 |
f_nom |
14~60MHZ |
标准频率 |
|
储存温度 |
T_stg |
-40°C~+90°C |
裸存 |
|
工作温度 |
T_use |
-0°C~+85°C |
标准温度 |
|
激励功率 |
DL |
10,100μW Max. |
推荐:1μW~100μW |
|
频率公差 |
f_— l |
±10,100 × 10-6(标准), |
+25°C对于超出标准的规格说明, |
|
频率温度特征 |
f_tem |
±10,20,30× 10-6/-20°C~+70°C |
超出标准的规格请联系我们. |
|
负载电容 |
CL |
6~32PF |
超出标准说明,请联系我们. |
|
串联电阻(ESR) |
R1 |
如下表所示 |
-40°C — +85°C,DL = 100μW |
|
频率老化 |
f_age |
±5× 10-6/ year Max. |
+25°C,第一年 |
耐焊性:将轻巧型4脚石英晶体加热包装材料至+150°C以上会破坏产品特性或损害产品。如需在+150°C以上焊接,建议使用产品。在下列回流条件下,对石英晶振产品甚至SMD贴片晶振使用更高温度,会破坏晶振特性。建议使用下列配置情况的回流条件。安装这些贴片晶振之前,应检查焊接温度和时间。同时,在安装条件更改的情况下,请再次进行检查。如果需要焊接的晶振产品在下列配置条件下进行焊接,请联系我们以获取耐热的相关信息。维管晶振,贴片晶振,VXM8晶振,石英晶体谐振器
自动安装和真空化引发的冲击会破坏2520封装小体积晶振产品特性并影响这些产品。请设置安装条件以尽可能将冲击降至最低,并确保在安装前未对晶振特性产生影响。条件改变时,请重新检查安装条件。同时,在安装前后,请确保石英晶振产品未撞击机器或其他电路板等。
2520四脚贴片晶振产品使用每种产品时,请在规格说明或产品目录规定使用条件下使用。因很多种晶振产品性能,以及材料有所不同,所以使用注意事项也有所不同,比如焊接模式,运输模式,保存模式等等,都会有所差别。






爱普生晶振,贴片晶振,SG-211SEE晶振,SG-211SEE 26.0000MH0
SMI晶振,贴片晶振,22SMX晶振,贴片谐振器