Jauch晶振,贴片晶振,JXG53P4晶振,石英进口晶振,我们的基本原则,包括我们的雇员的安全和健康,童工,歧视,公平薪酬,腐败,贿赂以及环境保护,都在JAUCH集团的行为准则中得到了支持。在良好的商业关系基础上,我们期望每个参与公司成功的人都能遵守这些行政原则。我们的基本原则,包括我们的雇员的安全和健康,童工,歧视,公平薪酬,腐败,贿赂以及环境保护,都在JAUCH集团的行为准则中得到了支持。在良好的商业关系基础上,我们期望每个参与公司成功的人都能遵守这些行政原则。
JAUCH晶振公司环保环境与发展对策:1.努力保护全球环境的环保意识进行石英晶体谐振器环保生产和提供产品以及服务给消费者.2.遵守环境法律、法规、条例、规则、协议、和其他需求,努力降低环境影响,防止污染.3.减少能源消耗,开展资源节约、资源回收和适当的化学管理工厂和办公室,导致全球变暖的预防和循环型社会的建立.4.与供应商和其他业务伙伴合作,减少温室气体的排放,有效利用资源,加强产品化学物质管理.5.参与社区环境保护和生物多样性保护项目和主动披露信息有关环保措施与社区加强沟通与和谐.
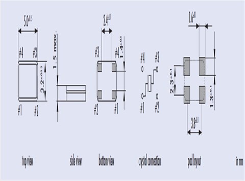
智能手机晶振,产品具有高精度超小型的表面贴片型石英晶体振荡器,最适用于移动通信终端的基准时钟等移动通信领域.比如智能手机,无线通信,卫星导航,平台基站等较高端的数码产品,晶振本身小型,薄型具备各类移动通信的基准时钟源用频率,贴片晶振具有优良的电气特性,耐环境性能适用于移动通信领域,满足无铅焊接的高温回流温度曲线要求.Jauch晶振,贴片晶振,JXG53P4晶振,石英进口晶振
石英晶振的研磨技术:通过对晶振切割整形后的晶片进行研磨,使石英晶振的晶片达到(厚度/频率)的一定范围。石英晶振晶片厚度与频率的关系为:在压电晶体行业,生产晶振频率的高低是显示鸿星技术水平的一个方面,通过理论与实际相结合,累积多年的晶振研磨经验,通过深入细致地完善石英晶振研磨工艺技术,注重贴片晶振研磨过程的各种细节,注重晶振所用精磨研磨设备的选择;
|
Jauch晶振规格 |
单位 |
JXG53P4晶振 |
石英晶振基本条件 |
|
标准频率 |
f_nom |
8~60MHZ |
标准频率 |
|
储存温度 |
T_stg |
-40°C~+125°C |
裸存 |
|
工作温度 |
T_use |
-20°C~+85°C |
标准温度 |
|
激励功率 |
DL |
100μW Max. |
推荐:10μW |
|
频率公差 |
f_— l |
±30,50× 10-6(标准), |
+25°C对于超出标准的规格说明, |
|
频率温度特征 |
f_tem |
-0.034,-0.04× 10-6/-40°C~+125°C |
超出标准的规格请联系我们. |
|
负载电容 |
CL |
12PF |
不同负载电容要求,请联系我们. |
|
串联电阻(ESR) |
R1 |
如下表所示 |
-40°C —+85°C,DL = 100μW |
|
频率老化 |
f_age |
±3× 10-6/ year Max. |
+25°C,第一年 |
我们可以改善的频率输出的偏差超过范围由以下几个方法:调整外部电容,Cd和CG的值。如果由频率计数器测量频率比目标频率高,要增加外部电容CL(或Cd以及C 8的值),以降低频率到我们的目标频率,反之亦然。可以采用不同负载电容(CL)的陶瓷面贴片晶振试用。 试用晶振具有较低电容若频率比目标频率超高很多的话。请检查波形幅度是否是正常或不使用示波器,正确的电容是通过和频率调节到目标之后。根据该波形振幅收缩,由于增加外部电容,请使用方法2调整频率(较低的外部电容,并采用低电容的晶体)的情况。频率输出频率的目标只有三分之一。下面的曲线表示晶体的电阻的特征:Jauch晶振,贴片晶振,JXG53P4晶振,石英进口晶振

晶振具有多种振动模式,如基频, 3次泛音,5次泛音等等。当基频模式应用时,晶振的电阻是最低的,这意味着它是最简单的两脚无源5032谐振器。当第三色调模式被应用,一个放大电路必须被利用以降低基本模式的频率反馈到所述延伸小于所述第三音调模式。因此,如果频率是只有三分之一的目标频率时,要检查是否放大处理电路被施加或它的设定值就足够了,因为电路的环境适合于基本模式,而不是第三次泛音调模式。该电路可能不振荡,如果放大电路不施加或它的设定值是不足够的。4-3。基频模式与三次泛音模式应用程序如下:
下表显示升的匹配值,耐热性石英晶振频率输出是目标频率的三倍这个问题的可能性相对较小。请确定的三次泛音调模式的频率反馈是否大于基频模式,由于放大电路的反馈大。当放大电路内置于芯片组此问题可能会发生。为了解决这个问题,请采用三次泛音模式晶振。此外,放大电路,第三色调模式设计不当也可能导致电路由第五音模式振荡或不振荡,系统故障是由于超大输出波形的幅度。C由各种频率三次泛音模式.





爱普生晶振,贴片晶振,TG-5032CFN晶振
爱普生晶振,贴片晶振,VG-4231CB晶振
CTS晶振,贴片晶振,445晶振,654L64453C2T晶振
Golledge晶振,贴片晶振,CC2A晶振,石英贴片晶振
Jauch晶振,贴片晶振,JXG53P2晶振,进口贴片晶振
SIWARD晶振,贴片晶振,SX-5032晶振
SMI晶振,贴片晶振,53SMX(B)晶振,石英晶体谐振器
5032mm,DSC1018BI1-125.0000T,125MHz,DSC1018,Microchip振荡器